针对搅拌车高强度大扭矩及频繁快速换向的使用需求,该电机效率更高,调速范围更广,响应更快,升温更小,噪音更低,使搅拌车工作不受地域海拔限制,满足各地的工况条件。
产品优势
● 针对搅拌车高强度大扭矩及频繁快速换向的使用需求,该电机效率更高,调速范围更广,响应更快,升温更小,噪音更低,使搅拌车工作不受地域海拔限制,满足各地的工况条件。
● 永磁伺服专用电机兼具超高的转矩体积比与功率体积比,在本系统中充当可靠的高性能伺服执行单元,具有强大的瞬间启动超载能力,以适应罐体承载不同密度材料运转。
● 采用直驱技术,有效克服液压机械传动装置的诸多限制和能量传递损耗,具有低惯量高刚性的特点。电机绕组符合H级,电机绝缘符合F级,特殊的高频绕组适合于长配线高频PWM波型。
● 选用强磁稀土材料精加工制成的IPM内嵌式磁钢芯,使电机保持高效运行的同时确保优异的静音性。
● 该电机标配旋变型编码器作为速度反馈闭环,克服了传统数字编码器的分辨率限制,可获得极好的低速伺服性能和匀速旋转特性。宽频转速调整范围0-2200rpm,最低可稳定输出1rpm,响应速度快达0.03s,高精度控制自带启停斜率调整,使罐体运行更加平稳。
● 自带扭矩过载检测,转速检测等自检分析功能,保护电机不受损伤。
● 独特的中空液冷设计,确保高温天气下电机长期工作低发热,大大延长电机使用寿命。
●尾端标准花键通轴设计,以确保在紧急救援时无需拆解电机,只需将救援马达无缝联结直插电机尾部,最短时间实现卸料,防止凝罐。
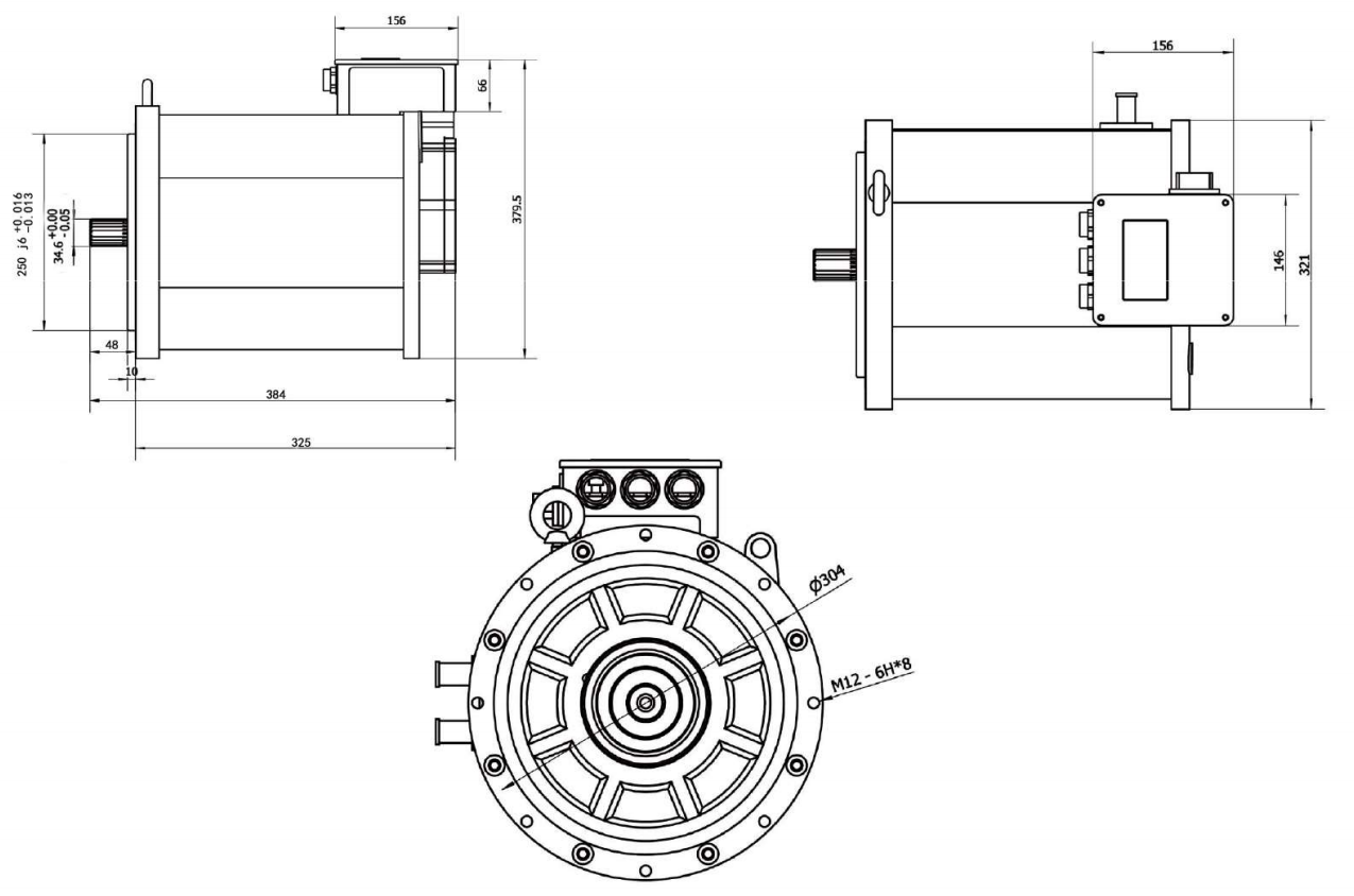
外形尺寸

技术规范

选型配置

油/电搅拌车经济性对比表

0574-87668083
18042069740