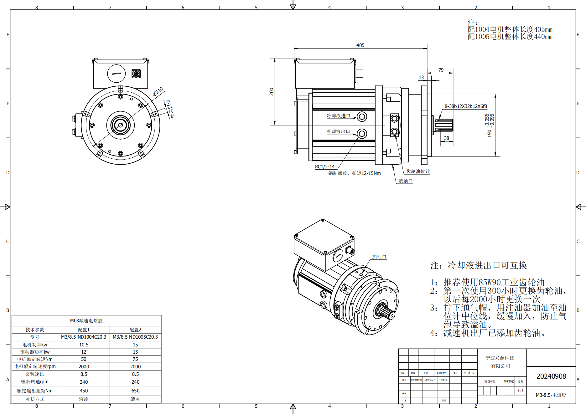
产品简介:本电机可以代替液压马达用于注塑机熔胶驱动、结构简单,性能可靠。电熔胶占整个能量消耗的50%-60%,替代液压马达后可节能15-30%。
应用领域:应用于注塑机熔胶等。
产品特点:结构简单,效率高于97%,噪声低,噪音低于70dB(A),1-1.5年收回投资。
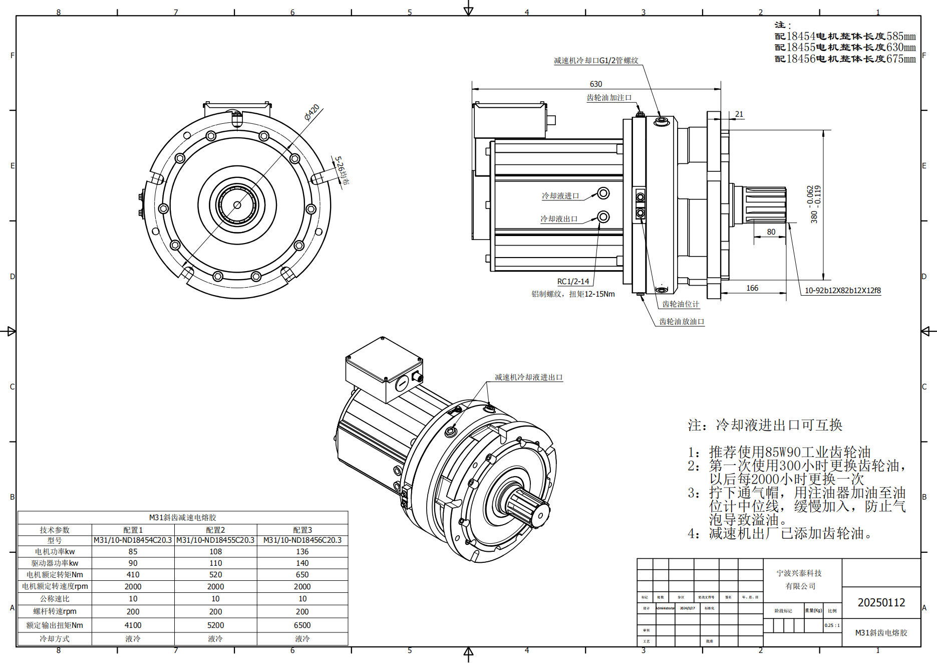
产品简介:本电机可以代替液压马达用于注塑机熔胶驱动、结构简单,性能可靠。电熔胶占整个能量消耗的50%-60%,替代液压马达后可节能15-30%。
应用领域:应用于注塑机熔胶等。
产品特点:结构简单,效率高于97%,噪声低,噪音低于70dB(A),1-1.5年收回投资。


斜齿电熔胶-型号图






0574-87668083
18042069740