产品简介:对于大扭矩熔胶,电机通过减速机放大扭矩,可提高扭矩密度,降低成本。根据应用场合不同,可以选择风冷电机与液冷电机配合行星减速箱代替液压马达。
应用领域:应用于注塑机熔胶等
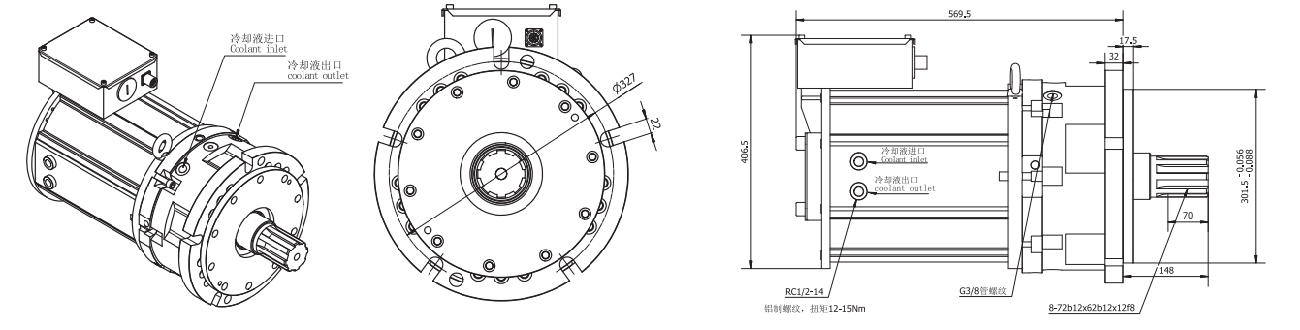
产品特点:高效散热、冷却液进出口可互换,动态响应速度快、低速平稳性好、转动惯量小、噪声低。
产品简介:对于大扭矩熔胶,电机通过减速机放大扭矩,可提高扭矩密度,降低成本。根据应用场合不同,可以选择风冷电机与液冷电机配合行星减速箱代替液压马达。
应用领域:应用于注塑机熔胶等
产品特点:高效散热、冷却液进出口可互换,动态响应速度快、低速平稳性好、转动惯量小、噪声低。



0574-87668083
18042069740